2021-02-11から1日間の記事一覧

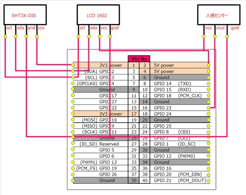
Raspberry Pi 電子工作 12:LCDディスプレイに現在日時、温度・湿度、CPU・メモリ状態、勤怠状態(?)を表示

前々回の、距離センサーを用いた着席状態の検出から、人感センサーを使用した検出に変更しています。 距離センサーでの検出では、センサーの前に障害物を「ドン」と置いておくだけで検出されますが、人感センサーでは動いていないと検出されないので、「ジッ…

Raspberry Pi 電子工作 11:人感センサー(HW-416-B)

前回取り上げた、超音波距離センサー「HC-SR04」ですが、センサーとその前にある物体との距離を測れるものの、それが人であるかの判定はできません。 ですので、今回は人感センサーといわれるものを取り上げてみます。 人感センサーは、赤外線などを利用して…

Raspberry Pi 電子工作 10:LCDディスプレイに現在日時、温度・湿度、CPU・メモリ状態、着席状態を表示

今までの集大成。 以下の機器を接続します。 ・LCDディスプレイ ・温度湿度センサー ・距離センサーでの計測結果 なお、Paspberry Pi Zeroで稼働させていますが、安定しています。 1. 仕様 2. 配線図 3. Pythonプログラミング 1. 仕様 いろいろな情報を1秒…

Raspberry Pi 電子工作 09:距離センサー(HC-SR04)で距離を測る

「HC-SR04」という電子部品があります。 これは、超音波を発射し、跳ね返ってきた超音波を検知するものです。 イルカなどと同じ原理ですね。 今回は、この電子部品をPythonから制御して、センサーからの距離を測定してみます。 1. センサーの購入 2. 配線 3.…