2020-01-01から1年間の記事一覧

Raspberry Pi 電子工作 02:LEDぐるぐる

今回は3つのLEDを光らせます。 ただ光らせてもつまらないので、指定したパターンで光らせてみようと思います。 1. 配線 2. Pythonソースコード 1. 配線 02:LED 抵抗をGround側に配線してみました。 自分は知識がないので真相不明ですが、+側に抵抗を配線す…

WindowsからRaspberry Pi OSへ接続、VisualStudioCodeで開発

Windowsからリモート接続でRaspberry Pi OS に接続、VisualStudioCodeを使用していました。 最近知ったのですが、Windowsで動作させているVisualStudCodeから、Raspberry Pi OS で動作させているVisualStudCodeを操作、デバッグできるようです。 今回は、そ…

WindowsからRaspberry Pi OSへのSSH接続(config)

WindowsからRaspberry Pi OS へSSH接続する際のコマンド入力が面倒なので、それを省略できる「config」ファイルの作成を行います。 1. configファイルの作成 2. configでのSSH接続 1. configファイルの作成 Windowsにて、「C:\Users\(Windowsユーザー名)\.ss…

WindowsからRaspberry Pi OSへのSSH接続

メインで使用しているWindowsのPCから、Raspberry Pi OSへSSH接続するための手順です。 パスワードで認証する「パスワード認証」が簡単ですが、今回はセキュリティ高度が高い、「公開鍵認証」で接続できるまでです。 1. 公開鍵の作成(Windowsでの操作) 2. …

Raspberry Pi 電子工作 01:LED

必要なものがそろったので、いよいよ電子工作+Pythonプログラミングを始めます。 まずは定番、LEDを光らせます。 「0.5秒間隔で光る、消える」を5回繰り返すだけのものです。 1. 配線 2. Pythonソースコード 1. 配線 01:LED 以下のように配線します GPIO 1…

物品購入3

GPIOにいろいろとつけては外す、を繰り返す予定なのですが、現状、非常に使いづらいので、延長するものを購入しました。 これは、単純に本体にさして延長するだけのものです。 ラズベリーパイ用 GPIOピン I/O延長ケーブル+T型ピンヘッダーキット 領収書発行…

Raspberry Pi のGPIOの図

環境が整ってきまいたので、これから電子回路を組んで、センサーつなげて、Pythonから制御していこうと思います。 まずは、配線に欠かせない、GPIOの図を描いてみました。 以降、これを使用していこうと思います。 GPIO

VisualStudioCodeでのPython開発環境のセットアップ

Raspberry Pi ラズベリーパイ VisualStudioCode python

ダイソーのリモートシャッターの改造

Raspberry Pi ラズベリーパイ bluetooth シャッター リモート

外部機器接続(カメラ)

Raspberry Pi ラズベリーパイ カメラ 写真 動画

物品購入2

Raspberry Pi ラズベリーパイ 周辺機器 キット

Bluetooth機器とのペアリング(CUI編)

Raspberry Pi ラズベリーパイ Bluetooth ペアリング

Bluetooth機器とのペアリング(GUI編)

Raspberry Pi ラズベリーパイ Bluetooth ペアリング

Bluetooth機器(ダイソー)

Raspberry Pi ラズベリーパイ Bluetooth

USB接続機器の確認

Raspberry Pi ラズベリーパイ

日本語入力を

Raspberry Pi の初期設定で、メニューなどは日本語化されていると思いますが、そもそも日本語の入力ができません。 今回は、Raspberry Pi OS で日本語入力を可能にする方法です。 1.LXTerminalからコマンドでインストール 「LXTerminal」を起動し、以下の…

開発環境のインストール(Visual Studio CodeのRaspberry Pi へのインストール)

Pythonという言語を使用して、今後プログラムを組んでいく予定です。その前に、プログラムを書くエディタをインストールしようと思います。誰もが知る、Microsoft が「無料で」提供している、「Visual Studoi Code」をインストールします。 非常に軽量、高機…

Raspberry Piへのリモートデスクトップ接続(HDMIケーブルレス化)

せっかくWindowsPCからリモートデスクトップ接続できるようになったRaspberry Pi ですが、HDMIケーブルを抜いた状態で起動したRaspberry Pi に接続するとエラーとなります。 どうやら、VNCでのリモートデスクトップ接続は、 「(ディスプレイをつないだ状態…

Raspberry Piへのリモートデスクトップ接続

メインはWindows10PCで作業して、Raspberry Piはサブでって使い方をしようとしているかたもいると思います。 自分はまさにそれで、メインPCはWindows10を使用(ディスプレイは3枚です)、ブラウザで調べものとかして、 Raspberry Pi はリモートデスクトップ…

外部機器接続(ファン)

ファン付きのCPUケースをおすすめしましたが、それは発熱したCPU(チップセットとかも)を冷やすためです。 おそらくは、ファンとケースに、何やら貼り付ける部品とセットで購入することが多いと思います。 ほんと、これは必須です。 ケースのデザインはお好…

Raspberry Pi の CPU温度

高負荷なことをさせると、CPU(や、チップセットとか)が発熱します。 精密電気機器なので仕方がありません。 コマンドでそのCPU温度を知ることができますので、その紹介。 1.ターミナルの起動 画面の上に、「LXTerminal」を起動します。 Windowsでいう、…

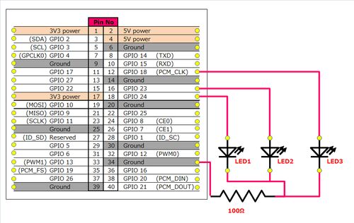
GPIOのピン番号

Raspberry Pi にて、USB接続以外の多くの外部機器(センサーやスイッチ、LEDなど)を接続する際に必須となるのが、GPIOです。 見た感じ、10個のピンが2列に並んでいるだけのものですが、それぞれのピンに意味があり、番号が振られています。 「ピンの番号」…

セットアップ

それほど難しい内容はありませんが、表記が英語だったりするので、備忘録代わりに。 以下のスクリーンショットは、すべてリモート接続(VNC)でWIndows上から取得したものです。 1.セットアップ開始 有線LAN(イーサネット)でインターネットへ接続してお…

OSのインストール

必要なものが揃ったら、OSをマイクロSDカードへセットアップ、インストールしていきます。 セットアップし終わったマイクロSDカードをRaspberry Pi に指して起動させるまでが、今回の目標です。 1.マイクロSDカードのフォーマット まずはマイクロSDカード…

物品購入

Raspberry Piを始めるにあたって、最低限必要なものをそろえていきます。 今回は、まず起動させるところまでに必要なものを買いそろえていきます。 開発機として使用することもあり、スペックはある程度良いものを選ぼうと思います とはいっても、あまり選択…